電動窗簾中的微型直流電機需要減速機才可以帶動窗簾的升降、開合,那么電動窗簾微型直流減速電機選型有哪些要素呢?

電動窗簾微型直流減速電機也是齒輪減速電機中的一種,采用行星齒輪減速機,是應用非常廣泛的減速機,也叫做齒輪減速箱、牙箱。除了應用在電動窗簾之外,還在各行各業產品中應用廣泛,如機器人、醫療設備、電子鎖、辦公設備等領域,不同行業產品中應用的微型直流減速電機型號、參數、性能都是不一樣的,在選擇微型直流減速電機型號參數都需要注意哪些要點呢?
電動窗簾選購直流減速電機需要確定其應用場所、環境要求、工作溫度等因素,還需要確定電動窗簾直流減速電機的電流、電壓、轉速、減速比、傳動比、扭矩、載荷能力、噪音、傳動效率等。
電動窗簾直流減速電機的輸出扭矩、安裝方式、根據直流減速電機的法蘭大小選擇減速機,如輸出軸扭矩不足需重新匹配,對于電動窗簾電機的壽命而言,扭力計算十分重要,要注意加速度的最大轉矩值是否超過微型直流減速電機的最大負載扭力。

電動窗簾微型減速電機常見參數:
額定電壓:12.0V
額定負載:50g.cm
電流:105mA?
轉速:6800rpm±10%
負載電流:350mA
負載轉速:6050rpm±10%
堵轉力矩:450g.cm
堵轉電流:2000mA
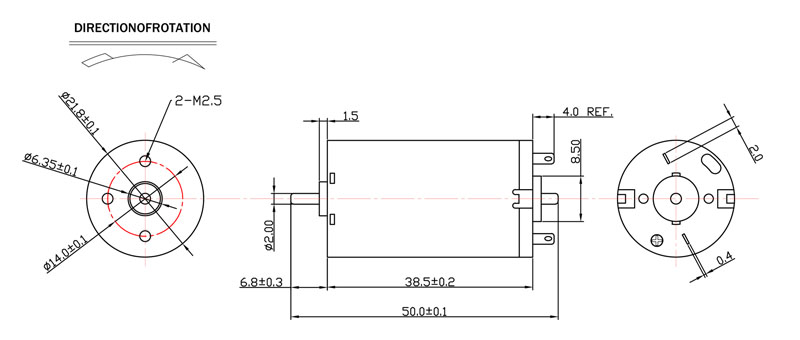
電動窗簾電機尺寸:22mm×38mm
????
更多有關微電機資訊,請繼續關注天孚微電機。
源頭廠家Source manufacturer
按需定制Demand customization
品質保障Quality guarantee